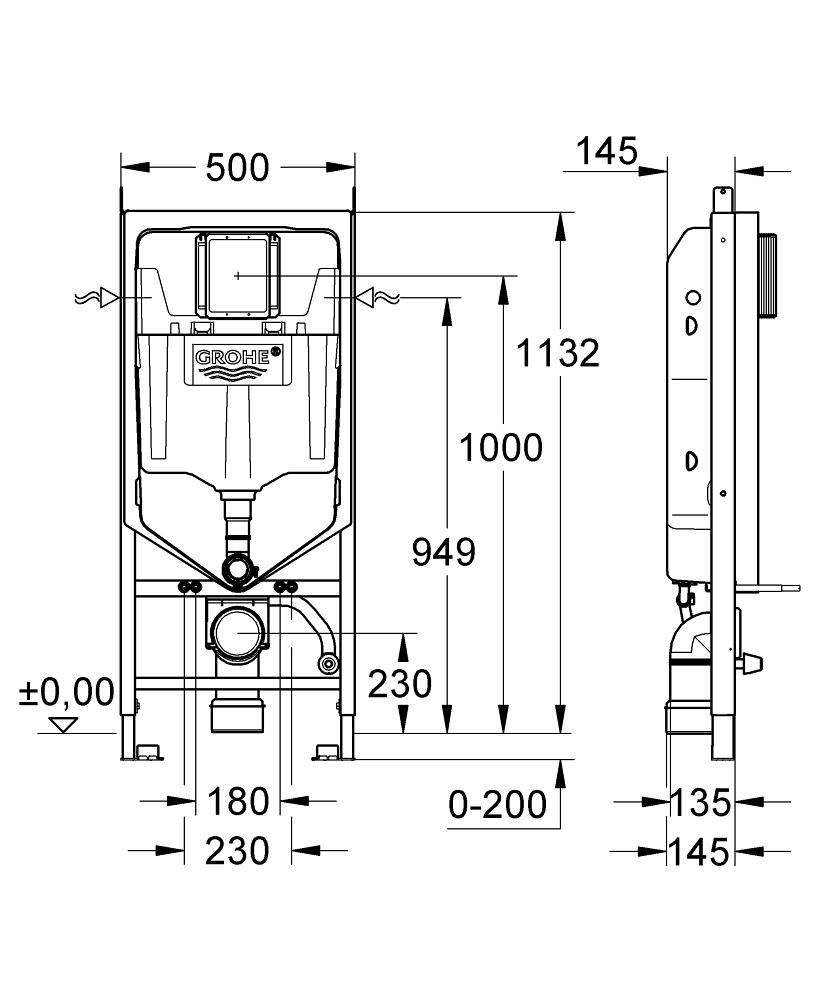
WC-FIXTUR RAPID SL LÄT

Rapid SL Element for WC with leakage box, 1.13 m installation height Cistern GD 2, För- eller elementmontage, Stålramar, pulverlackerade, självbärande, För vävbeklädnad, fullt förmonterat, Fasta anslutningar, Snabb installation, Fästmaterial, 2 WC-bultar, Keramisk montering, Skruvavstånd 180/230 mm, Utloppsböj Ø 90 mm, Justerbart djup, Reducerare Ø 90/110 mm, Till- och avloppsarmatur, Läckagebox, Samlingsbox med avloppsledare och anslutning till avfall, svart, läckage- / vattenskydd,  , flushing cistern GD 2, 6 - 9 l, containing following features:, Fabriksinställd 6l och 3l, Pneumatisk avloppsventil med 3 funktioner: dubbelspolning, start & stopp eller enkel spolning, Förberedd för vattenanslutning ifrån vänster, höger eller uppifrån, Armaturgrupp l, under 20 dB i ljudnivå, Helt kondensatisolerad, Vinkelventil DN 15, Vattenanslutning med pexanslutning, Verktygsfri installation av inspektionsluckan och skyddet under byggtiden, För vertikal eller horisontell användning,  , Inkluderar väggvinkel 38 558 00M för installation på väggen, För montering av små spolplattor vänligen beställ inspektionsschakt 40 911 000 (säljs separat)
Info 1 Art nr Dok Info 2 Bruttopris inkl. moms
8097980
Funktion: med cistern, dubbelspol 6/9l
Färg: blå/vit
Innehavare: GROHE A/S Danmark Filial
Leverantörens art.nr.: 39062000
Material: metall/plast/flermaterial
Storlek: 1175x520x220mm (BxDxH)
Utförande: fristående
Varumärke: GROHE