FG WC-FIX 38832000

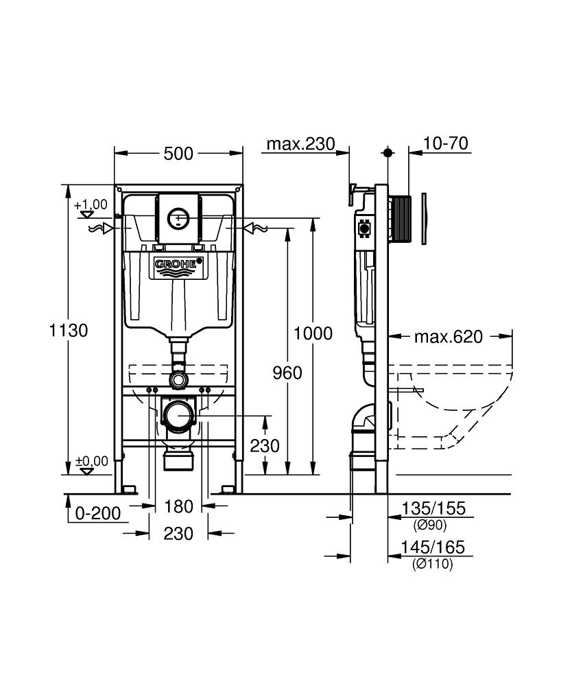
Solido Element for WC, 1.13 m installation height Cistern GD 2, För- eller elementmontage, Stålramar, pulverlackerade, självbärande, För vävbeklädnad, fullt förmonterat, Fasta anslutningar, Snabb installation, Fästmaterial, TÜV-testad, 2 WC-bultar, Keramisk montering, WC-keramik med liten bäryta (< 205 mm) kräver extra tillbehör 38 779 000, Skruvavstånd 180/230 mm, Utloppsböj Ø 90 mm, Justerbart djup, Reducerare Ø 90/110 mm, Till- och avloppsarmatur,  , Cistern 6 - 9 l, Fabriksinställd 6l och 3l, Pneumatisk avloppsventil med 3 funktioner: dubbelspolning, start & stopp eller enkel spolning, Förberedd för vattenanslutning ifrån vänster, höger eller uppifrån, Armaturgrupp l, under 20 dB i ljudnivå, Kondensisolerad, Vinkelventil DN 15, Vattenanslutning med pexanslutning, Verktygsfri installation av inspektionsluckan och skyddet under byggtiden, För vertikal eller horisontell användning, Med väggbeslag, Med manövreringsplatta Nova Cosmopolitan, GROHE StarLight kromyta
Info 1 Art nr Dok Info 2 Bruttopris inkl. moms
8097586
Färg: flerfärgad
Innehavare: GROHE A/S Danmark Filial
Leverantörens art.nr.: 38832000
Material: flermaterial
Storlek: H=1130mm
Utförande: med Nova tryckknapp
Varumärke: GROHE