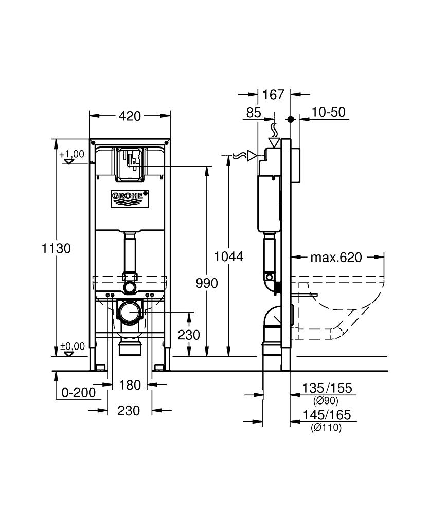
FG WC-FIX 38713001 H 1.13

Rapid SL för väggmonterad WC-stol cistern 6 l 1130 mm installationshöjd bredd: 0,42 m för- eller elementmontage stålramar, pulverlackerade, självbärande för vävbeklädnad, fullt förmonterat fasta anslutningar för enkel- eller skenmontage snabb installation fästmaterial TÜV-testad 2 WC-bultar keramisk montering skruvavstånd 180/230 mm utlopps böj Ø 90 mm Justerbart djup Reducerare Ø 90/110 mm till- och avloppsarmatur pneumatisk avloppsventil med 3 funktioner: dubbelspolning, start & stopp eller enkel spolning Vattenanslutning från toppen eller bakifrån armaturgrupp l, under 20 dB i ljudnivå kondensisolerad ½" vattenförsörjning samband med integrerade vinkelventil och tryck passar flexibel slangkoppling utan tillbehör för förmontage kräver skandinavisk adapter 38 338 000
Info 1 Art nr Dok Info 2 Bruttopris inkl. moms
8097580
Innehavare: GROHE A/S Danmark Filial
Leverantörens art.nr.: 38713001
Storlek: 1,13m
Utförande: hörnmontage
Varumärke: Grohe