FG WC-FIX 38719001 1 .13

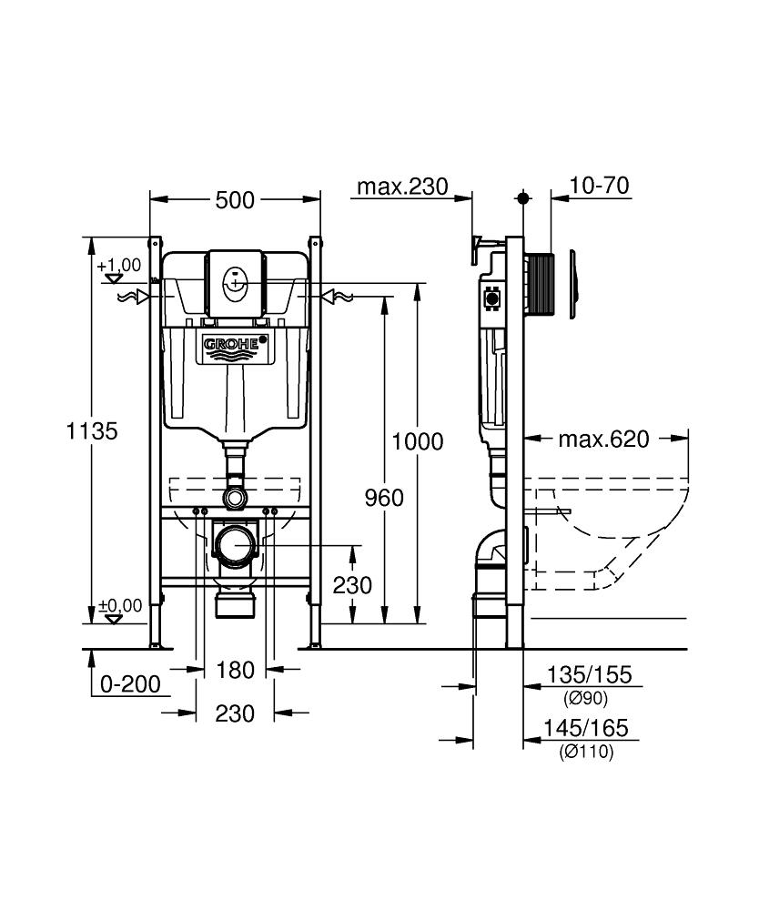
Rapid SL för väggmonterad WC-stol cistern GD 2 med liten inspektionslucka 1130 mm installationshöjd för- eller elementmontage stålramar, pulverlackerade, självbärande för vävbeklädnad fasta anslutningar snabb installation fästmaterial TÜV-testad 2 WC-bultar keramisk montering skruvavstånd 180/230 mm distansstycke DN 90 PP-avloppsböj DN 90/110 till- och avloppsarmatur cistern 6 - 9 l Fabriksinställd 6l och 3l pneumatisk avloppsventil med 3 funktioner: dubbelspolning, start & stopp eller enkel spolning förberedd för vattenanslutning från vänster, höger eller uppifrån armaturgrupp l, under 20 dB i ljudnivå kondensisolerad vinkelventil DN 15 vattenanslutning med pexanslutning med slanganslutning som inte kräver verktyg verktygsfri installation av inspektionsluckan och skyddet under byggtiden för vertikal användning 2 väggvinklar med fästmaterial med manövreringsplatta Skate Air vertikalt montage 156 × 197 mm alpinvit av ABS
Info 1 Art nr Dok Info 2 Bruttopris inkl. moms
8097581
Innehavare: GROHE A/S Danmark Filial
Leverantörens art.nr.: 38719001
Storlek: 1,13m
Varumärke: GROHE